1.Material: cold rolled coil, hot rolled coil, galvanized
2.coil Yield strength: Q195, 235B
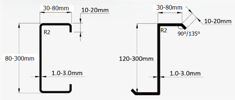
3.Coil Thickness 1.0-3.0mm
4.Shaping speed:25m/min
5.Payment Terms:40% T/T in advance,60% when shipping
6.Email:xinnuo05@xinnuomachine.com
7.WhatsApp:+8618830702960
XINNUO CZ Purlin Roll Forming Machine is a machine designed for the production of c purlins and z purlins of different sizes. These purlins are widely used in building structures to provide the necessary support and stability. The design of the CZ Purlin Machine ensures efficient production capacity and can complete the rapid change of size in a short time, usually within 3 to 5 minutes to achieve the conversion from c purlin to z purlin. In addition, the forming speed of KINGREAL CZ Purlin Roll Forming Machine is as high as 25 m/min, which greatly improves production efficiency.





1)Product Spec

2) Flow Chart
De-coiler – Feeding and Leveling device —Roll Forming System- Post-punching system– Post Cutting – Hydraulic station – PLC – Cutting Product Support


Advantages of CZ Purlin Roll Forming Machine
1. Highly automated cz purlin machine KINGREAL CZ Purlin Machine realizes the fast switching between C purlin and Z purlin in a fully automated manner, and the entire process is automatically controlled by program settings. This high degree of automation simplifies the production process, reduces human intervention, and reduces the possibility of errors. The CZ Purlin Roll Forming Machine's control system uses advanced PLC technology, which can monitor and adjust the CZ Purlin Machine's operating status in real time. During the switching process, the operator only needs to release the positioning pin, rotate 180 degrees, and then insert the positioning pin back. This design greatly improves production efficiency, and the size changeover can usually be completed within 3 to 5 minutes, significantly shortening the production cycle. The automation system is also equipped with fault detection and alarm functions, which can provide timely feedback when problems occur to ensure the smooth operation of the CZ Purlin Roll Forming Machine.
2. CZ purlin machine with a wide range of applications The CZ Purlin Roll Forming Machine is capable of processing a variety of metal materials such as galvanized steel and aluminum alloy, with a thickness range of 1.2 to 3.2 mm. Its wide range of applications enables KINGREAL CZ Purlin Machine to meet the needs of different customers, whether it is standard or non-standard size, the CZ Purlin Roll Forming Machine can respond flexibly. By adjusting the CZ Purlin Machine’s settings, users can easily switch different types of materials for processing.
3. CZ purlin machine with high flexibility The high flexibility of KINGREAL CZ Purlin Machine is reflected in its punching function. The CZ Purlin Roll Forming Machine can punch holes at any position of the purlin. Users only need to provide design drawings, and KINGREAL engineers can design customized punching dies according to the specific needs of customers. This feature allows customers more freedom in personalized design and can be flexibly adjusted according to the needs of the building structure.
4. Consistent cutting system for cz purlin machine The CZ Purlin Roll Forming Machine does not need to change the tool when processing purlins of different sizes. This design ensures production efficiency and cutting consistency. Traditional cutting systems usually require frequent tool changes when facing different specifications, resulting in production stagnation and time waste. The consistent cutting system of KINGREAL CZ Purlin Machine makes the cutting process more efficient through advanced tool design.
Application of CZ Purlin Roll Forming Machine
C purlins and Z purlins produced by KINGREAL CZ Purlin Machines are key materials for building steel structure frames, providing stability and support.

Our Company
Xinnuo Roll Forming Machine Co.,Ltd Established in 1998, is a leading manufacturer specializing in the design and production of C/Z purlin roll forming machines, high-speed purlin lines, and other customized roll forming equipment. Our facilities cover over 100,000 square meters, including 2 modern factorys and 12 warehousing bases. Since 2002, Xinnuo machines have been successfully exported to over 180 countries worldwide, earning consistent praise fortheir performance, ease of operation, and our comprehensive customer service. Looking ahead, Xinnuo remains commited to the principle of "Quality First, Service First, Customer First." We continue to focson R&D in energy-saving and intelligent machinery for the construction sector, aiming to deliver fully automated, unmanned production solutions that drive efficiency and innovation for our global partners.
c and z purlin machine after-sales services:
1. Warranty: One year and we will provide technical support for the life of the equipment.
2. Delivery period: Within 45-60 workdays after receipt of the deposit of advance payment
3.Warranty period: 24-month free service / paid service for the whole life of the machine
4. Installation and training
If buyers visit our factory and review the machine, we will teach you how to install and use the machine and also train your workers/technicians face to face.