1.Model: cz purlin forming machine
2.Min.Order Quantity:1 Pieces
3.Working speed:8-15m/min
4.Time of changing C/Z:2-5 minutes
5.Email:xinnuo05@xinnuomachine.com
6.WhatsApp:+8618830702960
CZU Roll Forming Line
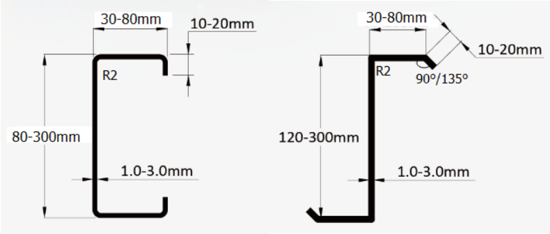
As roll forming technology continues to advance, there are now automatic quick-change C and Z steel purlin roll forming machines. In fact, these machines are designed to quickly switch between forming different shapes, such as the Z-shaped steel purlins. Furthermore, the Automatic Interchangeable U purlin roll forming machine, also known as the PLC automatic purlin making machine, offers even greater versatility. This means that one machine can produce not only steel C purlins but also customize the flange and lip dimensions with precision.
As a result, these innovations significantly enhance production efficiency by allowing manufacturers to produce multiple purlin types and dimensions without the need for time consuming manual adjustments. Consequently, businesses can meet varying project requirements quickly and efficiently.





The Main Purpose and Characteristics
In truth, This Fully automatic purlin making machine uses the same set of equipment to produce all the specifications in the C and Z Galvanised Steel Purlins plate type drawing, and the C specification conversion is completely automatic, and the operation is convenient and fast. Specifically, The structural design of the coaxial sliding sleeve eliminates the old cantilever unilateral forming unit and solves the problems of the insufficient structural strength and speed difference, and deviation. moreover, an industrial PLC, auxiliary electrical components, and a human-computer interaction interface completes the control system. the production efficiency is high, the specification adjustment can be completed in a few seconds, and the control system automatically adjusts as long as the parameters are input on the display screen.
Machine Parameter
| Transmission type | Hydraulic motor + chain |
| Hydraulic station motor power | Approx 22 kW |
| Productivity | 10-25 m/min |
| Accuracy | ±2mm |
| Time of changing C/Z | 2-5 minutes |
| Roll former station | Approx 18 stations |
| Roller material | GCr15 bearing steel chromed |
| Punching | Web post punching/Flange post punching |
| Cutting | Installed pre-cutting/Installed post cutting |
| Control systerm | PLC (Touchscreen display) |
| Decoiler | Manual decoiler/hydraulic decoiler |
| Raw material of coil | GI, cold-rolled |

Machine components :
This purlin making machine will be combined with an automatic manual decoiler and leveling system, a servo feeding device, and punch machine with dies, and roll-forming machine part, and hydraulic cutting unit, an output table, and hydraulic oil pump, and electrical control cabinet and so on.
Wokflow

Our Company
Hebei Xinnuo Roll Forming Machine Co., Ltd is a industry and trade integration company, which is on the basis of original Botou Huayu Roll Forming Machine Factory The company located in botou city, that has superior geographical and convenient traffic.It is the professional manu-facturer for metal sheet roll forming machines with seniority qualifications and experience.
We have high technological background, advanced and mature production equipment and perfect means of inspection. We not only produce different type of roll forming machine, but also developed automatic production line of roll forming machine, roof panel, wall panel forming machine series, Glazed tile roll forming machine series, Floor deck roll forming machine series, Highway barier forming equipment, double-deck color steel tile roll forming machine series, C, Z shape steel purlin machine series. precipitator anode plate forming machine, achcamber machine series, cutting machine and bending machine series, insulated sandwich panel machine on the base to traditional forming machine. Our machines are exported to demestic and foreign markets and are highly praised by new or old customer by their good-looking appearance, fair frame and standard model. We have prepared experienced professional workers and skilled staff for you. We could design different type of cold roll forming machine according to clients requirement.

Packaging & Delivery:
a.The main body of machine with water-proof plastic, then fixed to container by 8mm diameter steel wire and angle iron.
b.Rollers and shafts are covered with anti-rust oil.
c.PLC control system and motor pump are packed with waterproof paper and plastic film.
d.Spare parts in a carton box.
e.Manual decoiler was nude packing.
f.The output-table put into a carton box.
g.If the machine is too long, we will divide it into two parts and pack them in one package with steel wire.
h.Fit for ocean shipping.
i:Port: Tianjin Port
